▍ 簡要說明 ↴
接地電阻測試儀是檢驗和測量接地電阻的常用儀表,也是電氣安全檢查與接地工程竣工驗收不可缺少的工具。YLJR-101接地電阻測試儀是陜西意聯電氣針對現場需求研發的一種新型的接地電阻測試儀,其不再使用傳統的人工手搖發電工作方式,而是應用先進的中大規模集成電路以及DC/AC變換技術,將三端鈕、四端鈕測量方式合并為一種機型,方便使用。
▍ 功能特點 ↴
▍ 技術參數 ↴
▪ 重量:≤1.8kg
▍ 使用方法 ↴
1.接地電阻測量

沿被測接地極E(C2、P2)和電位探針P1及電流探針C1,依直線彼此相距20米,使電位探針處于E、C中間位置,按要求將探針插入大地;用專用導線將地阻儀端子E(C2、P2)、P1、C1與探針所在位置對應聯接;開啟地阻儀電源開關“ON”,選擇合適擋位輕按一下鍵該檔指標燈亮,表頭LCD顯示的數值即為被測得的地電阻。
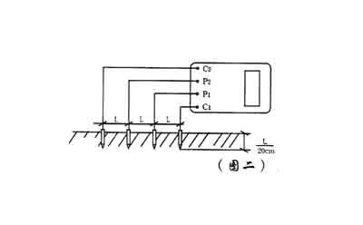
2.土壤電阻率測量
測量時在被測的土壤中沿直線插入四根探針,并使各探針間距相等,各間距的距離為L,要求探針入地深度為L/20cm,用導線分別從C1、P1、P2、C2各端子與四根探針相連接。若地阻儀測出電阻值為R,則土壤電阻率按下式計算:Ф=2πRL。其中Ф—土壤電阻率(Ω•cm),L—探針與探針之間的距離(cm),R—地阻儀的讀數(Ω)。
用此法測得的土壤電阻率可近似認為是被埋入探針之間區域內的平均土壤電阻率。測地電阻、土壤電阻率所用的探針一般用直徑為25mm,長0.5~1m的鋁合金管或圓鋼。
3.導體電阻測量
測量接線如圖一,撥掉C1插頭,E、P1間的插頭保留,啟動地電壓(EV)檔,指示燈亮,讀取表頭數值即為E、P1間的交流地電壓值。
▍ 產品實拍 ↴